耗时约 6 个月:网友手搓 Intel 486 开源主板,初步支持 Win3.1主板开源Windows
复古硬件发烧友 Maniek86 展示 M8SBC-486 开源主板项目,耗时不到 6 个月时间,完全从零开始设计与制造适用于 Intel 486 处理器的主板。
IT之家,2026-01-27 11:48:39
1 月 27 日消息,科技媒体 Tom's Hardware 于 1 月 25 日发布博文,报道称复古硬件发烧友 Maniek86 展示 M8SBC-486 开源主板项目,耗时不到 6 个月时间,完全从零开始设计与制造适用于 Intel 486 处理器的主板。
M8SBC-486 开源主板并非基于现有的图纸修改,而是完全从零开始设计与制造,采用了定制的 150 x 150mm 四层 PCB 设计,尺寸略小于标准的 Mini-ITX 规格。
Maniek86 表示,该项目的初衷是为了运行 Linux 系统,并运行《毁灭战士》(Doom)经典游戏。而最终结果不仅实现既定目标,而且还支持运行多个版本的 DOS 系统、初步支持 Windows 3.1 环境,并能流畅运行《波斯王子》(Prince of Persia)和《德军总部 3D》(Wolfenstein 3D)等经典游戏。
| 操作系统 | 类型 | 运行 | 预装镜像? | 注释 |
|---|---|---|---|---|
| MS-DOS 6.22 | DOS | 是的 | 是的 | 无需启用 HIMEM 即可运行。 |
| FreeDOS 1.4 | DOS | 是的 | 是的 | |
| Linux 2.2.26 | Linux | 是的 | 是的 | 需要自定义内核编译,临时连接线路将 IDE 中断路由到 PIC,修改了一些内核参数和自定义引导加载程序,但运行良好。 |
| Windows 3.1 (增强模式) | Windows | 有点 | 是的 | 在 FreeDOS 1.4 系统上使用“win31 内核”进行了测试,需要调整很多设置。程序可以启动,进入 shell,键盘也能正常使用,但是鼠标无法工作! |
| Windows 3.1(标准模式) | Windows | 不 | 是的 | 错误 |
| Windows 95 | Windows | 不 | 不 | 安装过程几乎可以完成,但之后会出现错误。预装镜像崩溃。 |
| stillalive-os | Hobby OS | 是的 | 是的 | 正常工作 |
| cubicDoom | Hobby OS | 是的 | 是的 | 正常工作 |
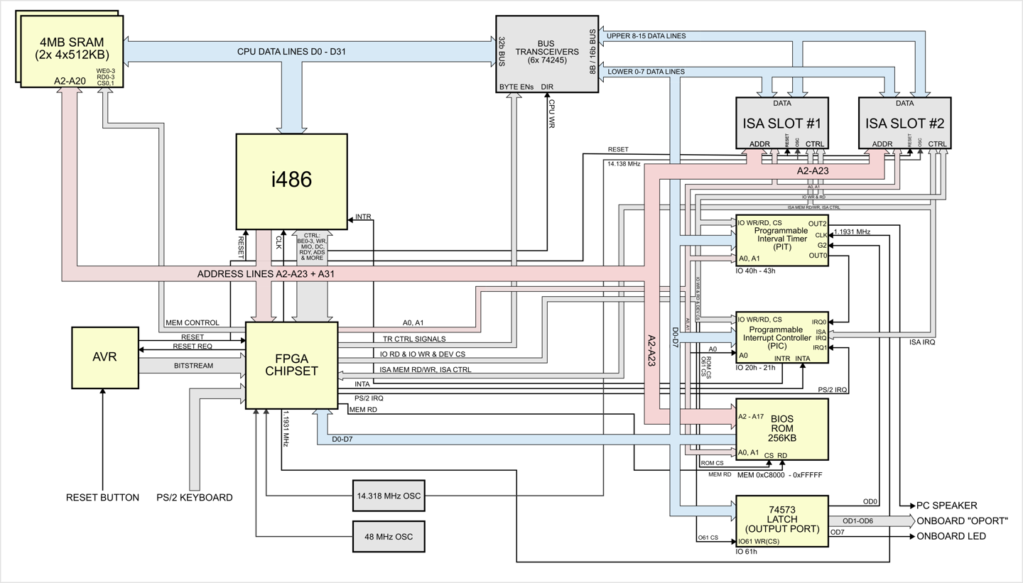
在技术方面,核心芯片组(代号 Hamster 1)并未采用传统集成电路,而是基于 Xilinx Spartan II XC2S100 FPGA(现场可编程门阵列)实现。


该 FPGA 同时接管了输入设备控制器、CMOS 实时时钟(RTC)以及存储控制等关键功能。此外,PCBWay 提供的原型制作与制造支持也加速了项目的落地。



不过,为了聚焦核心目标,开发者暂时舍弃了非必要的辅助功能,因此主板目前缺少辅助中断控制器(Secondary PIC)和直接内存访问(DMA)功能。
M8SBC-486 配备了 PGA-168 插座(支持 5V 486 CPU)、4MB SRAM 和两个 16 位 ISA 插槽,前端总线(FSB)运行在 24 MHz。由于项目已完全开源,Maniek86 坦言目前仍存在诸多问题,例如显卡性能不稳、几乎完全不兼容声卡等。附上相关博文图片如下:



